全场景语音交互进化,音频电路设计深度优化指南!
随着应用场景的复杂化,传统音频电路已难以满足需求。本文从信号链优化、降噪算法硬件适配等维度,提供创新设计方案,助力设备实现无死角语音交互体验。
随着应用场景的复杂化,传统音频电路已难以满足需求。本文从信号链优化、降噪算法硬件适配等维度,提供创新设计方案,助力设备实现无死角语音交互体验。
Air780EHV音频电路参考设计中要注意哪些……
今天在这里分享下相关内容。Air780EHV内置Audio Codec,支持1路Mic,1路Speaker。
有如下特点:
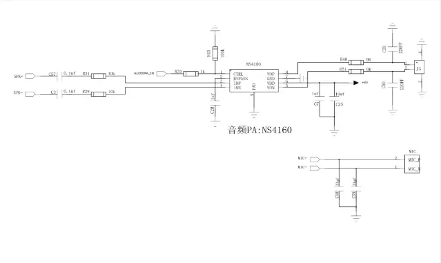
支持1路驻极体Mic,模组内置偏置电压,差分输入;
支持1路Speaker输出,但输出功率仅14mW,差分输出;
Speaker输出需搭配音频PA使用,音频PA请根据所需灵活选择,也可选择标准配件AirAUDIO_1000搭配使用;
Air780EHV支持VoLTE通话和TTS(文字转语音)功能。
一、硬件参考设计
资料中心提供了音频电路参考设计,及其使用的相关注意事项等文档。
最新内容详见:
https://docs.openluat.com/air780ehv/luatos/hardware/design/audio/

注意:Air780EHV支持驻极体Mic,内部已接Micbias偏置电压,外部无需再加。
尤其要注意的是:Mic电路上切勿增加隔直电容,按照参考电路连接即可。
音频PA选用的是纳芯微NS4160,最高可驱动4Ω 3W的喇叭(5V供电时)。
二、Audio API说明
此前文章介绍过LuatOS二次开发提供了丰富的资源支持,目前包括74个核心库、55个扩展库、1000多个API接口,以及100多个基于实际场景的Demo示例。
其中就包括Audio函数,详见:
https://docs.openluat.com/osapi/core/audio/

本文主要介绍audio.config() 这一个函数:
audio.config()跟硬件相关,主要是两个GPIO的配置。
一个GPIO控制Audio PA;
一个GPIO控制Audio Codec。
如下图所示:

Air780EHV内部集成了Audio Codec:相应的控制GPIO为GPIO20,大家在使用本函数时可以输入20 ,也可以默认不填。
Air780EHV需要在外部增加Audio PA电路:相应的控制GPIO我们默认推荐使用GPIO22,也就是PIN19:AudioPA_EN。
如下图所示:

大家在使用时务必注意如下几点:
Audio PA务必使用一个单独的GPIO控制使能,不能默认一直开启,一方面在功耗上比较浪费,一方面也无法搭配Audio函数抑制有可能产生的POP音;
Audio PA的控制GPIO推荐使用PIN19:AudioPA_EN,也就是GPIO22;
如果不使用PIN19:AudioPA_EN,那么至少也要选用一个AGPIO,只有AGPIO在休眠状态下才能控制其输出状态。
详见Air780EHV GPIO设计说明:https://docs.openluat.com/air780ehv/luatos/hardware/design/gpio/
今天的内容就分享到这里了~
火山引擎开发者社区是火山引擎打造的AI技术生态平台,聚焦Agent与大模型开发,提供豆包系列模型(图像/视频/视觉)、智能分析与会话工具,并配套评测集、动手实验室及行业案例库。社区通过技术沙龙、挑战赛等活动促进开发者成长,新用户可领50万Tokens权益,助力构建智能应用。
更多推荐
所有评论(0)