一篇看完:晶振方案选择不再纠结 - 深度解析内外置晶振及其应用注意事项
摘要: 本文针对语音芯片与上位机通讯异常问题,分析了晶振频偏导致的串口波特率偏差问题,提出通过串口波特率自适应方案解决。文章详细比较了内部RC振荡器与外部晶振的特性差异,指出内部晶振成本低但精度差(±2.5%频偏),适用于简单场景;外部晶振精度高(±1~50ppm),适合高速通信和工业环境。重点强调设计时需根据温度、通讯需求选择晶振类型,并给出PCB布局、波特率限制(≤115200bps)及温度补

最近小编客户研发的一款产品在调试语音与上位机通讯总是出现个别产品功能异常,请启英泰伦协助分析解决。小编分析发现异常原因为语音芯片和上位机芯片均存在频偏,两者频偏相加后导致串口通讯波特率偏差较大,串口通讯失败。小编根据启英泰伦AI平台提供的方法在语音芯片加上了串口波特率自适应后解决了客户的问题。因此小编希望通过本篇文章帮助用户提前规划好晶振方案、规避后期调试问题。小编就由浅入深来和大家一起探讨一下启英泰伦语音识别芯片的晶振方案选型和应用注意事项。
1. 内置晶振和外置晶振介绍
内部晶振集成于芯片内,成本低、功耗小、节省空间(比如启英泰伦CI13082V、CI13162),适合对时钟精度要求不高的场景(如简单控制、消费电子)。外部晶振基于石英晶体(比如启英泰伦CI1302、CI13242),精度高(±1~50ppm)、温漂小,为高速通信(USB、Wi-Fi)、工业控制及汽车电子提供稳定时序基准,是复杂环境和可靠性系统的核心。二者互补,平衡成本与性能,共同保障电子系统的高效运行,两者特点如下
1.1 内部晶振:
-
实现方式:通过芯片内部集成的RC(电阻-电容)振荡电路或LC振荡电路生成时钟信号。
-
典型频率范围:通常为低频(如1MHz~48MHz),部分高端芯片可达100MHz。
-
依赖因素:精度受工艺、温度、电压影响显著,需依赖芯片内置校准功能。
1.2 外部晶振:
1. 实现方式:
-
无源晶体(Crystal):需依赖外部负载电容和芯片内部的振荡电路驱动。
-
有源晶振(Oscillator):独立封装,内置振荡电路,直接输出方波信号。
-
典型频率范围:覆盖更广(kHz~GHz级),适合高频需求。
-
稳定性:基于石英晶体的压电效应,物理特性稳定。
1.3 关键参数对比
| 参数 | 内部晶振(RC/LC) | 外部无源晶体 | 外部有源晶振 |
|---|---|---|---|
| 精度 | ±1%~±5%(未校准) | ±10~±100ppm(受温度影响) | ±1~±50ppm(含温补型) |
| 温度稳定性 | 差(随温度漂移明显) | 较好(-40°C~85°C) | 极佳(部分支持-55°C~125°C) |
| 启动时间 | 短(μs级) | 较长(ms级,依赖负载电容) | 短(直接输出稳定信号) |
| 功耗 | 低(无需驱动外部负载) | 中等(需芯片驱动) | 较高(独立供电) |
| 成本 | 免费(集成在芯片内) | 低(晶体+电容成本) | 高(集成振荡器) |
| 抗干扰能力 | 强(芯片内部路径短) | 弱(易受PCB布局和噪声影响) | 中等(需屏蔽设计) |
| 占板面积 | 无需外部元件 | 需晶体+2个负载电容 | 需晶振+电源滤波电容 |
2. RC振荡器原理
2.1 核心结构与类型
RC振荡器由放大电路、RC选频网络、正反馈回路及稳幅环节四部分组成。其本质是利用电阻(R)和电容(C)的充放电特性构建选频网络,替代传统LC振荡器中的电感元件,适用于1Hz–20MHz低频范围的信号生成。
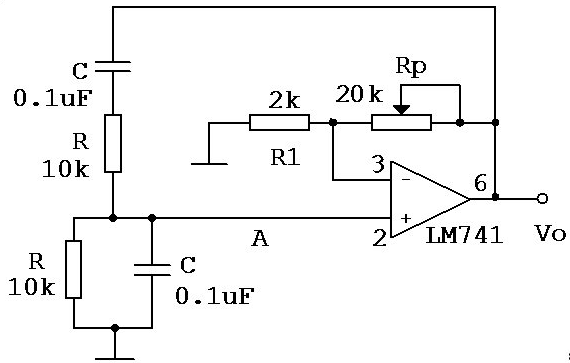
文氏桥振荡器:采用RC串并联结构,振荡频率公式为:f0=1/2πRC 通过调节R或C值可精确调频,文氏桥振荡器结构如下图:

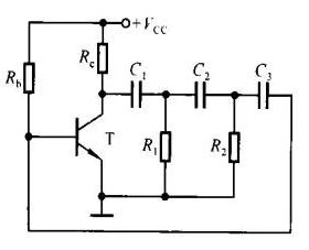
相移振荡器:通过多级RC网络(如3级)实现90°相移,总相移达360°以满足相位条件,但调频灵活性较差,结构原理如下图:

双T网络振荡器:基于双T型RC滤波,选频特性尖锐,适合固定频率场景
工作原理与振荡条件:
起振阶段:电源接通瞬间,电路噪声包含宽频谱信号,经RC选频网络过滤后,特定频率分量(满足相位条件)被放大并反馈至输入端,形成正反馈循环,信号幅值逐步增大。
稳幅机制:当振幅增长至临界点,非线性元件(如热敏电阻、反向并联二极管)自动降低环路增益,使振幅稳定。例如文氏桥振荡器通过负反馈支路(Rf与R1)实现增益控制。
振荡的数学条件
幅度条件:环路增益 ≥ 1(即∣Aβ∣≥1,A为放大倍数,β为反馈系数)。
相位条件:总相移为360°的整数倍(即正反馈)。
示例:文氏桥在f0=1/2πRC时,相移为0°且反馈系数β=1/3,需放大倍数A≥3方可起振。
2.2 关键性能参数与影响因素
1、频率稳定性差
核心原因:RC 选频网络的参数(R、C)受温度、湿度、振动等环境因素影响较大(如电阻的温度系数、电容的老化或温漂),导致振荡频率容易漂移。
表现:长期工作或环境变化时,输出频率偏差可能超过 1%(甚至更大),难以满足高精度设备(如通信系统、精密测量仪器)的要求。
2、频率调节精度有限
传统 RC 振荡器通过手动调节可变电阻或电容改变频率,但机械调节方式精度低(尤其是微调时),且调节过程中频率易产生跳变,难以实现连续、精确的频率控制。
3、输出波形失真可能较大
部分 RC 振荡器(如文氏桥振荡器)依赖放大电路的非线性特性稳幅,若稳幅电路设计不当(如反馈量控制不佳),易导致输出波形(如正弦波)出现失真(如削波、畸变)。
4、高频性能受限
当需要高频输出时,需减小 R 或 C 的数值。但过小的 R 会增加电路功耗,过小的 C 则易受分布电容(如线路间寄生电容)影响,导致频率不稳定,因此 RC 振荡器通常适用于 1MHz 以下的中低频场景,高频性能不如 LC 振荡器或晶体振荡器。
2.3 针对性解决方案
提升频率稳定性
采用高精度元件:选用低温漂电阻(如金属膜电阻,温度系数≤50ppm/℃)和稳定性好的电容(如聚丙烯电容、云母电容,温漂小且老化率低),减少环境因素对 R、C 参数的影响。
加入温度补偿电路:在电路中串联或并联具有负温度系数的元件(如热敏电阻),当环境温度变化导致 R、C 参数偏移时,补偿电路可反向调节,抵消频率漂移。
引入锁相环(PLL)技术:将 RC 振荡器的输出频率与高精度参考源(如晶体振荡器)通过锁相环同步,利用 PLL 的反馈调节能力,将 RC 振荡器的频率稳定在参考源的精度水平(可达 ppm 级甚至 ppb 级)。
提高频率调节精度,采用数字电位器或数字电容:通过单片机控制数字电位器(如 X9C103)或可编程电容阵列,实现电阻、电容的电子调节,调节精度可达 1% 甚至 0.1%,且支持连续微调,避免机械调节的误差。
分段调节 + 细调结合:将频率范围划分为多个频段,通过切换固定电阻 / 电容实现粗调,再用数字微调元件进行精细调节,兼顾宽范围调节和高精度控制。
改善输出波形失真,优化稳幅电路:文氏桥振荡器中,采用具有负温度系数的热敏电阻(如在正反馈支路串联)或场效应管(FET)构成自动增益控制(AGC)电路,实时调节放大电路增益,使输出幅度稳定在非线性失真最小的范围内。
增加滤波网络:在振荡器输出端加入 RC 低通滤波或 LC 带通滤波电路,滤除高频谐波分量,改善波形的正弦度。
拓展高频应用范围,采用高频 RC 结构:选用高频特性好的运算放大器(如带宽≥10MHz 的高速运放)作为放大核心,减小分布电容影响(如缩短布线、使用屏蔽外壳),使 RC 振荡器可工作在 1-10MHz 范围。
与其他振荡器结合:在高频场景下,可采用 “RC 振荡器 + 倍频电路” 方案,先用 RC 振荡器产生中低频信号,再通过锁相环倍频至高频,兼顾 RC 的宽调节范围和高频输出需求。
3. 应用场景与选型建议
1. 使用内部晶振的场景
• 低成本的消费类电子(玩具、遥控器、电子秤)。
• 启英泰伦语音芯片作为主控且无需通讯的产品应用(灯具、风扇)
• 对时钟精度不敏感的功能、简单逻辑控制(如LED闪烁、电机启停)。
• 低速通信(UART、I2C在短距离且无严格同步要求时)。
2. 必须使用外部晶振的场景
• 高速通信接口(USB 2.0/3.0、Ethernet、CAN FD)。
• 无线协议(Wi-Fi、蓝牙、LoRa需精确的射频载波)。
• 音频处理(I2S接口的48kHz/96kHz采样率)。
• 工业自动化(PLC、伺服电机控制)。
• 汽车电子(ECU需通过AEC-Q100认证)。
• 宽温环境(-40°C~125°C的工控场景)。
• 分布式系统(多MCU、FPGA需共享同一时钟源)。
在必须使用外部晶振的场景下错误的选择了内部晶振可能导致的问题有:通讯时好时无,无线通讯频繁掉线,高温环境功能异常,因此一点要根据产品的功能和使用环境综合选择。更多产品和方案请登录【启英泰伦官网】:
https://www.chipintelli.com。启英泰伦平台通过灵活的时钟架构和智能软件方案,为客户提供了从低成本到高可靠性的全系列选择。
4. 设计注意事项
4.1. 内部晶振的注意事项:
1、芯片内置的RC振荡器会随环境温度变化产生一定的温漂。该时钟温漂可能对需要高精度时钟的应用,或者与上位机串口通信的准确率带来影响。芯片在环境温度为-10 to 70°C时,RC的最大频偏可以达到±2.5%,这时如果与之通讯的上位机MCU也采用内部RC,则双方时钟偏差叠加可能导致通信失败。建议在这种情况下,使用上位机MCU的外部晶振以提高时钟精度,或选择启英泰伦支持外部晶振输入的芯片型号。此外,在设计PCB布局时应注意将RC振荡器相关的电路远离发热元件,以减少温度变化对频率稳定性的影响。
2、芯片在回流焊接过程会产生频偏,因为回流焊接温度可达260度,这个温度对芯片的RC元件有一定影响,因此对于需要串口通讯的芯片需要加上串口波特率自适应算法保障通讯良好。
3、应用方案采用内部RC振荡器作为时钟源,串口通信波特率必须小于或等于115200bps,推荐工作环境温度为-10到70℃,同时与上位机串口波特率之间总偏差不得超过4%,以保证良好通信。工作环境温度为-10到70℃的,配合的上位机串口波特率偏差在该温区须不超过±1.5%。
当上位机为免晶振设计时,需要尽量减小通讯误差。启英泰伦可提供串口波特率自适应方案,该方案需要在串口协议中增加一个握手指令,并且上位机保证在收到该握手指令的50ms内会按照协议要求回复。增加该自适应方案后,产品可以用于工作环境温度为-20到85℃的场景。具体应用方法可以登录启【英泰伦语音AI平台】:https://aiplatform.chipintelli.com,AI平台在开发固件时可以选择是启用内部晶振还是外部晶振,启用内部晶振的时候会提醒是否打开波特率自适应。
4.2. 外部晶振的注意事项:
1. 晶体尽量靠近芯片引脚,走线对称且避免平行高速信号线。参考如下图:

2. 负载电容(CL)需根据晶体规格书计算、通用一般为22pf。
3. EMI抑制:外部晶体下方禁止走线,必要时铺地屏蔽。有源晶振的电源需添加π型滤波器。
4. 故障排查:若外部晶振不起振,检查负载电容值、PCB虚焊或ESD损坏。
使用示波器测量时需注意探头电容对振荡的影响(建议使用1:1探头)。
5. 结语
在精度与成本之间,寻求设计的平衡点
每一次产品故障的背后,都隐藏着对基础原理的深刻考验。本文从一次常见的通信故障入手,层层剖析,揭示了**“时钟精度”** 这一在设计中容易被忽视,却又举足轻重的关键要素。
无论是集成在片内的RC振荡,还是外置的石英晶体,其本质都是在性能、成本与可靠性之间做出的智慧取舍。没有绝对的“最优解”,只有最适合特定应用场景的“平衡点”。启英泰伦平台提供的,正是这种从芯片到算法的全方位灵活性,让您既能利用内部晶振实现极致的成本控制,也能借助外部晶振和智能算法(如波特率自适应)满足严苛的性能要求。
希望本文能成为您产品设计路上的一份实用指南,帮助您在项目伊始就构筑起对时钟风险的“免疫力”。让稳定可靠的通信,成为您产品值得信赖的底色。
火山引擎开发者社区是火山引擎打造的AI技术生态平台,聚焦Agent与大模型开发,提供豆包系列模型(图像/视频/视觉)、智能分析与会话工具,并配套评测集、动手实验室及行业案例库。社区通过技术沙龙、挑战赛等活动促进开发者成长,新用户可领50万Tokens权益,助力构建智能应用。
更多推荐
所有评论(0)