BLDC 无刷直流电机双闭环矢量控制仿真:探索电机控制的精妙世界
这次的仿真聚焦于 BLDC 无刷直流电机的双闭环控制。所谓双闭环,一般指的是速度环和电流环。速度环用于控制电机的转速,使其跟踪给定的转速值;电流环则是为了确保电机运行时的电流在合理范围内,同时也对速度环起到辅助调节的作用。配套的说明文档真的非常贴心,它详细描述了每个模块的搭建过程以及各自的作用。就好像给我们绘制了一张清晰的地图,让我们在复杂的仿真世界里不会迷路。
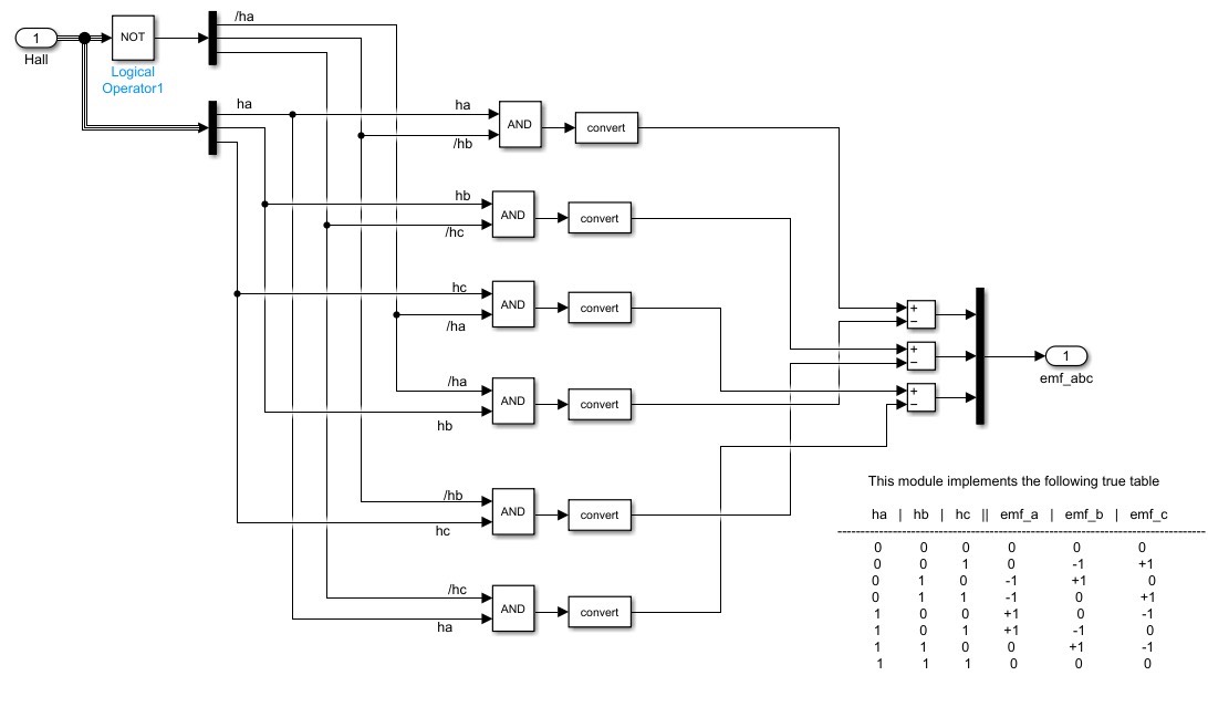
BLDC无刷直流电机双闭环矢量控制仿真 仿真为BLDC无刷直流电机的双闭环控制,仿真配套的说明文档详细的描述的每个模块的搭建以及作用。 适合学习BLDC的同学使用学习。 仿真通过对给定转速的突变验证双闭环控制的性能,结果表明,控制相应速度快,转速跟踪稳定,能完美实现功能。 文件包括: [1]仿真模型 [2]详细说明文档 [3]相关参考文献

最近在研究电机控制领域,接触到了 BLDC(无刷直流电机)的双闭环矢量控制仿真,感觉收获颇丰,今天就来和大家分享一下这个有趣的东西,特别适合正在学习 BLDC 的同学们哦。
一、仿真概述
这次的仿真聚焦于 BLDC 无刷直流电机的双闭环控制。所谓双闭环,一般指的是速度环和电流环。速度环用于控制电机的转速,使其跟踪给定的转速值;电流环则是为了确保电机运行时的电流在合理范围内,同时也对速度环起到辅助调节的作用。

配套的说明文档真的非常贴心,它详细描述了每个模块的搭建过程以及各自的作用。就好像给我们绘制了一张清晰的地图,让我们在复杂的仿真世界里不会迷路。
二、验证双闭环控制性能
为了测试这个双闭环控制策略的效果,我们通过对给定转速进行突变来进行验证。在实际操作中,这就好比我们突然要求电机从一个转速瞬间切换到另一个转速,看看它能不能快速且稳定地跟上指令。
代码实现与分析
下面我们来看一段简单的速度环控制的代码示例(以 Python 为例,实际仿真环境可能不同):
# 定义一些参数
kp_speed = 0.5
ki_speed = 0.1
set_speed = 1000 # 给定转速
current_speed = 0
integral_speed = 0
def speed_control(new_speed):
global current_speed, integral_speed
error_speed = set_speed - new_speed
integral_speed += error_speed
output_speed = kp_speed * error_speed + ki_speed * integral_speed
current_speed = new_speed + output_speed
return current_speed
在这段代码里,我们首先定义了速度环的比例系数 kpspeed 和积分系数 kispeed,这两个系数就像是控制速度环的“魔法棒”,它们的取值会直接影响速度环的控制效果。setspeed 是我们期望电机达到的给定转速,currentspeed 则记录当前电机的实际转速,integral_speed 用于积分运算。

在 speedcontrol 函数中,我们计算了速度误差 errorspeed,也就是给定转速和当前转速的差值。然后通过积分运算不断累积这个误差,最后根据比例和积分控制律计算出控制输出 outputspeed,并更新当前转速 currentspeed。这就像是一个智能的调节器,根据电机转速和目标转速的差异,不断调整输出,让电机尽可能接近我们期望的转速。
三、仿真结果
通过仿真实验,结果表明,这个双闭环控制策略的响应速度非常快。当给定转速突变时,电机能够迅速做出反应,并且转速跟踪十分稳定。就好像是一个训练有素的运动员,听到指令后能立刻做出准确的动作,并且一直保持稳定的状态。这说明我们的双闭环控制策略能够完美实现预期的功能,为 BLDC 电机的稳定运行提供了可靠的保障。
四、文件内容
这次的仿真相关文件包含了三个重要部分:
- 仿真模型:它是整个仿真的核心,就像是一个虚拟的实验室,里面搭建好了各种组件和连接关系,让我们能够在计算机上模拟 BLDC 电机的运行过程。
- 详细说明文档:前面已经提到,它详细地描述了每个模块的搭建和作用,是我们理解整个仿真过程的得力助手。
- 相关参考文献:这些文献为我们提供了理论基础和前人的研究经验,帮助我们更好地理解 BLDC 电机以及双闭环矢量控制的原理。
总之,通过这次对 BLDC 无刷直流电机双闭环矢量控制仿真的学习和实践,我对电机控制有了更深入的认识。希望我的分享也能对正在学习 BLDC 的同学们有所帮助,大家一起在电机控制的奇妙世界里探索前行吧!




火山引擎开发者社区是火山引擎打造的AI技术生态平台,聚焦Agent与大模型开发,提供豆包系列模型(图像/视频/视觉)、智能分析与会话工具,并配套评测集、动手实验室及行业案例库。社区通过技术沙龙、挑战赛等活动促进开发者成长,新用户可领50万Tokens权益,助力构建智能应用。
更多推荐
所有评论(0)