硬件开发_基于STM32单片机的智能垃圾桶系统
智能垃圾分类系统设计 该系统通过STM32单片机为核心控制单元,集成超声波传感器(检测人体靠近自动播放提示音)、红外对管(路径识别)、光敏电阻(环境光检测)及语音识别模块(LU-ASR01),实现智能垃圾分类功能。主要特点包括:人体感应触发语音引导、3秒延时自动关门、满箱状态报警、光控夜灯照明,以及语音指令开箱功能。硬件设计采用Altium Designer完成,包含舵机控制、JR6001语音播报
一.系统概述
-
人体感应与语音提示:通过超声波传感器检测到人靠近时,系统将触发语音模块播放“垃圾分类”的提示音,以引导用户进行分类投放。
-
自动关门功能:在检测到人离开后,系统会延迟3秒钟,然后控制步进电机反转,模拟关闭垃圾箱的门。
-
垃圾箱状态检测:系统会监测垃圾箱的状态,当发现垃圾箱已满时,自动触发语音提示“垃圾箱已满”,提醒用户进行处理。
-
夜灯功能:集成光传感器,白天时夜灯会自动关闭,而在光线不足的晚上,夜灯会自动开启,以提供足够的照明。
-
语音识别开箱:系统通过语音识别技术,能够自动识别并开启不同类型的垃圾箱,从而方便用户进行垃圾分类投放。

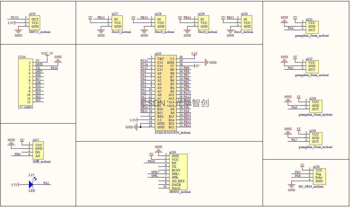
二.电路设计
在使用Altium Designer进行电路图设计时,以下是系统的主要组成部分和功能概述:
-
微控制器核心:系统的核心是STM32F103C8T6单片机,构成最小系统电路,为整个平台提供计算和控制能力。
-
超声波测距模块:采用HC-SR04模块实现对前后障碍物的探测。其Echo(接收引脚)和Trig(发射引脚)连接至单片机的GPIO端口,以便进行距离测量。
-
红外路径检测:为识别黑色路径,系统使用红外对管,输出的数字信号需接入单片机的GPIO接口,确保路径检测的准确性。
-
光强感知:光敏电阻模块负责监测环境光强,模拟输出端与单片机的模拟输入端相连,便于实时获取光照数据。
-
语音识别模块:LU-ASR01高精度语音识别模块用于接收语音指令,通过UART串口与单片机进行数据交流,实现语音控制的功能。
-
舵机控制:系统通过舵机来控制垃圾桶的开合,舵机的控制线直接连接到单片机的GPIO端口,便于实现机械操作。
-
语音播报模块:采用JR6001模块进行语音播报,使用UART串口与单片机连接,以便在需要时进行信息反馈和提示。


三.程序设计
#include “sys.h”
#include “delay.h”
#include “math.h”
#include “adc.h”
#include “key.h”
#include “OLED_I2C.h”
#include “Control_Report_To_Police.h”
int main(void)
{
NVIC_PriorityGroupConfig(NVIC_PriorityGroup_2);//设置中断优先级分组为组2:2位抢占优先级,2位响应优先级
delay_init(); //延时函数初始化
Usart1_Init(9600);
Servor_GPIO_Config_Time2_Init();
switch_Init();
Led1_init();
Hcsr04_Timer6_Init();
Adc_Init();
OLED_Init(); //OLED初始化
OLED_CLS(); //OLED清屏
OLED_CLS();
while(1)
{
OLED_Display_Cotrol(); //显示控制函数
}
}

四.资料内容

24-32-80
火山引擎开发者社区是火山引擎打造的AI技术生态平台,聚焦Agent与大模型开发,提供豆包系列模型(图像/视频/视觉)、智能分析与会话工具,并配套评测集、动手实验室及行业案例库。社区通过技术沙龙、挑战赛等活动促进开发者成长,新用户可领50万Tokens权益,助力构建智能应用。
更多推荐
所有评论(0)