【物联网毕设】智能药箱-小程序+蓝牙+STM32
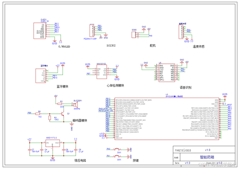
该系统采用STM32开发板作为核心控制单元,集成了心率传感器、体温传感器、时钟模块、舵机、语音识别模块和蓝牙模块等多硬件设施。在硬件端,它能够通过心率传感器监测用户的心率和血氧浓度,并在心率异常时发出报警;体温传感器用于实时监测体温变化。时钟模块支持设定三个定时提醒,用于提醒用户按时服药,舵机X1则负责药箱的自动开关。语音识别模块和蓝牙模块则分别用于语音控制药箱和与智能设备进行无线数据交互。用户可
目录
前言
该系统采用STM32开发板作为核心控制单元,集成了心率传感器、体温传感器、时钟模块、舵机、语音识别模块和蓝牙模块等多硬件设施。在硬件端,它能够通过心率传感器监测用户的心率和血氧浓度,并在心率异常时发出报警;体温传感器用于实时监测体温变化。时钟模块支持设定三个定时提醒,用于提醒用户按时服药,舵机X1则负责药箱的自动开关。语音识别模块和蓝牙模块则分别用于语音控制药箱和与智能设备进行无线数据交互。用户可以通过短按或长按按键1来控制药箱或切换模式,长按按键2则用于取消报警。APP端通过蓝牙与硬件配对连接,提供用户友好的UI界面显示实时的心率、血氧和体温数据,并在心率过高时自动弹出报警提示。此外,APP端还支持历史数据查询、导入用药说明的Excel文件以及手动提醒服药等功能。
关注微信公众号--星之援工作室 发送关键字(项目清单)
可获取项目清单资料
➡️🫡🫡🫡🫡🫡🫡🫡🫡➡️
⚠️⚠️(本文章仅提供思路和实现方法,并不包含代码,需要代码的同学请自行联系博主)
⚠️⚠️(有疑问或需要定制或者技术支持等,也请自行联系博主)⚠️⚠️
一 连线图
1 原理图

2. 开发板本身自带一个LED ,这个LED作为我们查看程序运行情况;
(1若MUC上面的的LED处于闪烁状态,则说明我们的设备处于正常运行,若LED灯不再闪烁,请按复位键将程序手动复位一次
(2)硬件会主动将数据传给app
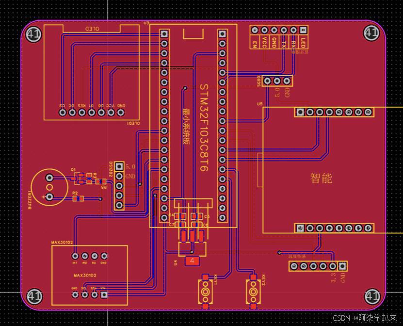
2 PCB效果


3 实物效果

4 APP界面



5 功能概括
(1) 硬件端
- 使用STM32开发板作为主控
- 使用心率传感器获取人体的心率血氧浓度等相关信息,当心率过高会自动进行心率的报警
- 体温传感:用于获取人体温度信息
- 时钟模块:使用时钟模块进行时间计数和定时吃药功能,可以进行定时器时间的修改和添加(3个)
- 舵机X1:实现模拟药箱开启和关闭
- 语音识别模块(ASR-PRO):使用语音识别开启箱子
- 蓝牙模块:使用 蓝牙进行配对连接,进行数据交互

短按按键1可以控制药箱
长按按键1可以切换模式
长按按键2可以取消报警
(2) APP端
- 使用蓝牙进行配对连接
- 使用UI显示当前心率血氧以及体温数据
- 心率过高会自动弹出报警提示框
- 可查询历史数据查询
- 可导入用药说明的Excl

- 可以实现手动体现吃药功能
(3) 演示视频
通过网盘分享的文件:135.1.智能药箱-小程序-Blue.mp4
链接: https://pan.baidu.com/s/1zfzq6yv6_plPNtZxQ7eNeA?pwd=XZY0 提取码: XZY0
--来自百度网盘超级会员v6的分享
二 底层代码使用方式
1. 使用说明
(1). 使用的时候设备会连接蓝牙
蓝牙名字::Heart,用户首先需要使用APP进行搜索配对操作,然后再进行连接配对操作,才能与设备进行蓝牙连接。
(2). 当设备处于正常状态的时候,开发板上面的LED会处于闪烁的状态
(3). 可以使用蓝牙控制,语音控制以及按键控制
(多看视频,视频中有完整功能演示)
(多看视频,视频中有完整功能演示)
(多看视频,视频中有完整功能演示)
2. 下载程序
- 先根据原理图进行连线,连接好以后在做后面的操作
- 打开程序(硬件由工作室出的可以忽略下载程序这部分)


![]()




三 小程序使用方式
1下载小程序

(1)操作方式:
小程序 -- uni-app开发微信小程序环境搭建(HBuilder X+微信开发者工具)
https://blog.csdn.net/herui_2/article/details/144717637?spm=1001.2014.3001.5501
视频讲解导入
通过网盘分享的文件:微信小程序项目导入和使用.mp4
链接: https://pan.baidu.com/s/1fal73L6NTgc0M67ZkU_lCQ?pwd=XZY0 提取码: XZY0
(2)使用说明
打开小程序后设备会自动订阅MQTT主题,等待1-5秒小程序会自动获取到设备上的数据,若5秒内没有获取到设备数据,则请检测设备是否在线,若在线,则请重新打开APP进行数据的获取
(多看视频,视频中有完整功能演示)
(多看视频,视频中有完整功能演示)
(多看视频,视频中有完整功能演示)
四 程序架构及修改(通用)
通过网盘分享的文件:微信小程序项目导入和使用.mp4
链接: https://pan.baidu.com/s/1fal73L6NTgc0M67ZkU_lCQ?pwd=XZY0 提取码: XZY0
小程序参数修改

火山引擎开发者社区是火山引擎打造的AI技术生态平台,聚焦Agent与大模型开发,提供豆包系列模型(图像/视频/视觉)、智能分析与会话工具,并配套评测集、动手实验室及行业案例库。社区通过技术沙龙、挑战赛等活动促进开发者成长,新用户可领50万Tokens权益,助力构建智能应用。
更多推荐

所有评论(0)